by Lauron » Sat Jun 08, 2013 10:16 pm
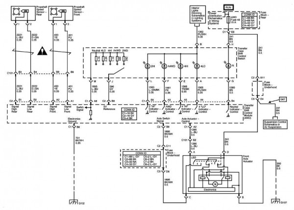
Installed the ERA ahead of the PCM. This was after I got the below advise from Abott to support Dirty Anton's experience. A few important points, there are two speed sensors on the transfer case. It is the "rear" sensor which is on the drivers side of the transfer case. The high power side(output) of the sensor is light blue on my TB. See the wiring diagram below which was provided by Dirty Anton.
The ERA worked first time. Looks like it is accurate but I will have to confirm.
Abott does not suggest it but I did insert a fuse in line with the power supply to the ERA.
The following was the guidance I received from Abott.
On the ECM diagram at the C101 connector, pins B3 and B4 are for the rear VSS terminals. At the C2 connector in the same diagram, they are labeled as pins B1 and B2. The rear VSS would be used for a speed signal and the 'high' side must be used since the 'low' side is the sensor circuit ground terminal and has no signal present. The front VSS would be for engine management and engine RPM control. (these two sensors are also called OSS, or Output Shaft Sensors) These sensors output a sine wave signal (AC voltage) and would require that the 4-bank of switches in the ERA to be set at: 1= on, 2:3:4= off
On the Instrument Panel Cluster, pin B9 is the ECM speed output for the electronic speedometer and only has one wire. This signal would be a square wave (DC voltage) and would require the 4-bank in the ERA to be set at: 1= off, 2 & 3= on, 4= off.
Either location can be used for the ERA, pin B3 at the C101 connector if a direct VSS connection is used, or pin B9 in the Instrument Panel Cluster if a connection is made between the ECM and speedometer.
A little explanation on the sensors.... the 'high side' would be the signal side of the speed sensor where the 'low side' would be the sensor circuit's ground connection. As the rotor passes the sensor tip, a sine wave signal is produced and goes out on the 'high side'... the 'low side' is the sensor ground since all circuits require a complete electrical path to operate.
- Attachments
-
