Offroad Trailblazers and Envoys

abbots speedo corrector after pcm

Breaker 1-9, anybody got a copy? Any discussion or mods relating to electrons and wires go here.

by dirty anton » Sun Feb 05, 2012 1:13 pm

sorry no pictures but this may solve some of the speedometer issues for the older tb's. i was throwing codes with a speedo corrector ran before the pcm so decided to try running it on the output of the pcm.(thanks for wire info chevycrew). tapped in to dark green with white stripe wire off of pin 32(blue connector on pcm)and used the abbots era between this. my trans shifts stayed the same because i am tapped in after computer (i actually prefer this due to bigger gearing) so if your good with that this may work out for you.(pcm for less can program trans shifts anyway). i was able to adjust this unit spot on with gps speed.its really easy, just adjust the input dip switches of abbots for use after pcm. they have great customer support.
User avatar
dirty anton
Trail-Blazer
 
Posts: 426
Joined: Thu Aug 19, 2010 12:21 am
Location: upper marlboro md
Name: mike
Vehicle Year: 2002
Vehicle: Chevrolet TrailBlazer
DriveTrain: 4WD w/ Aftermarket Locker
Rank: Extreme Offroader

by dirty anton » Sun Mar 11, 2012 12:43 pm

just an update,the abbots era has bin working out good over the last month and i uploaded a few pics of it in my build thread if interested.
User avatar
dirty anton
Trail-Blazer
 
Posts: 426
Joined: Thu Aug 19, 2010 12:21 am
Location: upper marlboro md
Name: mike
Vehicle Year: 2002
Vehicle: Chevrolet TrailBlazer
DriveTrain: 4WD w/ Aftermarket Locker
Rank: Extreme Offroader

by v7guy » Tue Mar 13, 2012 8:20 am

Is there anything that keeps it from working on the newer 360s?
build thread

All things in moderation, including moderation.
Some people never go crazy... what truly horrible lives they must lead
User avatar
v7guy
Moderator
 
Posts: 3712
Joined: Wed Mar 09, 2011 10:17 pm
Location: NY, long island
Name: Jason
Vehicle Year: 2004
Vehicle: Chevrolet TrailBlazer
DriveTrain: 4WD
Rank: Offroad Rated

by Philberto » Wed Mar 14, 2012 2:25 am

v7guy wrote:Is there anything that keeps it from working on the newer 360s?


I imagine the dual channel rear abs might have something to do with it.
My Build Thread | 2006 Trailblazer LS Desert Camping Edition **SOLD**
2013 Nissan Xterra S "ReXterra"
2013 Audi S4 6MT Prestige "Brunhilde"
User avatar
Philberto
Lifer
 
Posts: 2049
Joined: Fri Sep 11, 2009 5:30 pm
Location: CA, Camarillo
Name: Philip Cruz
Vehicle Year: Other
Vehicle: Other Vehicle
DriveTrain: 4WD
Rank: Offroad Rated

by dirty anton » Wed Mar 14, 2012 10:27 am

v7guy wrote:Is there anything that keeps it from working on the newer 360s?

i would think since its placed after the pcm it should only change the signal going to the cluster. every thing else has bin normal.
User avatar
dirty anton
Trail-Blazer
 
Posts: 426
Joined: Thu Aug 19, 2010 12:21 am
Location: upper marlboro md
Name: mike
Vehicle Year: 2002
Vehicle: Chevrolet TrailBlazer
DriveTrain: 4WD w/ Aftermarket Locker
Rank: Extreme Offroader

by Lauron » Tue May 14, 2013 11:47 pm

Refreshing this thread

dirty anton wrote:just an update,the abbots era has bin working out good over the last month and i uploaded a few pics of it in my build thread if interested.

From Mike's BuildThread pics below
mounted the abbots speedo corrector. 12v sw supply and neg batt gnd. then wired after pcm.

wire going in then out of pcm. shielded to prevent any extra noise in era

Was Mike the only one to use the abbots ERA? I see he had a noise problem. Anyone else using it and was it ultimately reliable?

Thanks,

Ron
Attachments
Mikes install.jpg
Wiring protection.jpg
Lauron2002 TrailBlazer LT, 3" MarkMc Suspension Lift, 3" Mark Mc Body Lift, Falken WildPeak 315 - 70 17 Tires
Build: http://forums.offroadtb.com/viewtopic.php?f=25&t=3611
User avatar
Lauron
Member
 
Posts: 77
Joined: Sat Apr 28, 2012 8:47 am
Location: AB, Cochrane
Name: Ron
Vehicle Year: 2002
Vehicle: Chevrolet TrailBlazer
DriveTrain: 4WD w/ G80

by Lauron » Sat Jun 08, 2013 10:16 pm

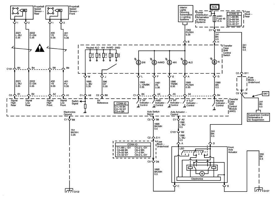
Installed the ERA ahead of the PCM. This was after I got the below advise from Abott to support Dirty Anton's experience. A few important points, there are two speed sensors on the transfer case. It is the "rear" sensor which is on the drivers side of the transfer case. The high power side(output) of the sensor is light blue on my TB. See the wiring diagram below which was provided by Dirty Anton.

The ERA worked first time. Looks like it is accurate but I will have to confirm.

Abott does not suggest it but I did insert a fuse in line with the power supply to the ERA.

The following was the guidance I received from Abott.


On the ECM diagram at the C101 connector, pins B3 and B4 are for the rear VSS terminals. At the C2 connector in the same diagram, they are labeled as pins B1 and B2. The rear VSS would be used for a speed signal and the 'high' side must be used since the 'low' side is the sensor circuit ground terminal and has no signal present. The front VSS would be for engine management and engine RPM control. (these two sensors are also called OSS, or Output Shaft Sensors) These sensors output a sine wave signal (AC voltage) and would require that the 4-bank of switches in the ERA to be set at: 1= on, 2:3:4= off

On the Instrument Panel Cluster, pin B9 is the ECM speed output for the electronic speedometer and only has one wire. This signal would be a square wave (DC voltage) and would require the 4-bank in the ERA to be set at: 1= off, 2 & 3= on, 4= off.

Either location can be used for the ERA, pin B3 at the C101 connector if a direct VSS connection is used, or pin B9 in the Instrument Panel Cluster if a connection is made between the ECM and speedometer.

A little explanation on the sensors.... the 'high side' would be the signal side of the speed sensor where the 'low side' would be the sensor circuit's ground connection. As the rotor passes the sensor tip, a sine wave signal is produced and goes out on the 'high side'... the 'low side' is the sensor ground since all circuits require a complete electrical path to operate.
Attachments
Sensor Wiring Diagram.JPG
Lauron2002 TrailBlazer LT, 3" MarkMc Suspension Lift, 3" Mark Mc Body Lift, Falken WildPeak 315 - 70 17 Tires
Build: http://forums.offroadtb.com/viewtopic.php?f=25&t=3611
User avatar
Lauron
Member
 
Posts: 77
Joined: Sat Apr 28, 2012 8:47 am
Location: AB, Cochrane
Name: Ron
Vehicle Year: 2002
Vehicle: Chevrolet TrailBlazer
DriveTrain: 4WD w/ G80

by dirty anton » Tue Aug 06, 2013 7:12 pm

Over a year and working great. Keep in mind I ran this off the trans output shaft and not the transfer case. The sye on the tc is off a jeep and needed a mechanical vss to work. Only negative is while in 4 wheel drive the mph is off. Personally don't mind this. No real issues with noise either.
User avatar
dirty anton
Trail-Blazer
 
Posts: 426
Joined: Thu Aug 19, 2010 12:21 am
Location: upper marlboro md
Name: mike
Vehicle Year: 2002
Vehicle: Chevrolet TrailBlazer
DriveTrain: 4WD w/ Aftermarket Locker
Rank: Extreme Offroader


Return to Electrical / Radios